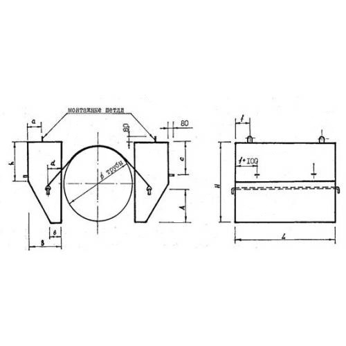
УБО 1020 утяжелители охватывающего типа

Чертеж изделия:
Характеристики изделия:
ПараметрЗначение
длина1500 мм
ширина550 мм
высота1100 мм
масса3358 кг
нормативный документВСН 007-88

УБО 1020 Утяжелители бетонные охватывающего типа ВСН 007-88.