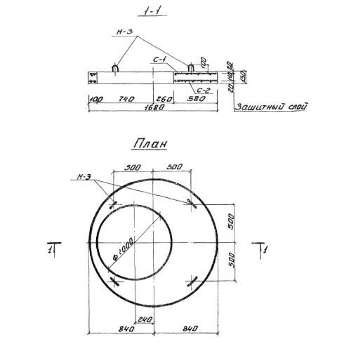
КЦП 15-1

Чертеж изделия:
Характеристики изделия:
ПараметрЗначение
длина1680 мм
ширина1680 мм
высота150 мм
вес525 кг
серияТП 902-9-1

КЦП 15-1 Плиты перекрытия колодцев по проекту ТП 902-9-1.