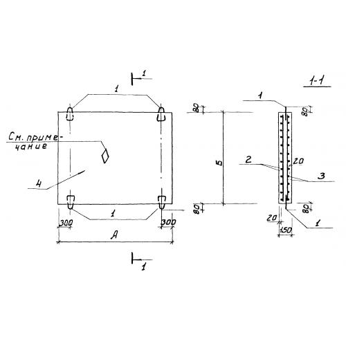
Д 40-35

Чертеж изделия:
Характеристики изделия:
ПараметрЗначение
длина4500 мм
ширина4000 мм
высота150 мм
масса6750 кг
нормативный документТП 901-09-11.84

Д 40-35 Плиты днища по Типовому проекту ТП 901-09-11.84.