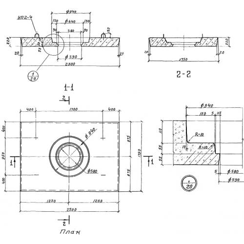
ПНЛ 1

Чертеж изделия:
Характеристики изделия:
ПараметрЗначение
длина2500 мм
ширина1750 мм
высота220 мм
вес2120 кг
серия3.900-2

ПНЛ 1 Плиты дорожные с нишей для люка по серии 3.900-2.