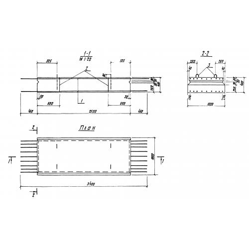
ФБ-2

Чертеж изделия:
Характеристики изделия:
ПараметрЗначение
длина3400 мм
ширина1000 мм
высота400 мм
масса2400 кг
нормативный документСерия 3.820.1-29

ФБ-2 Флютбетные блоки по Серии 3.820.1-29.