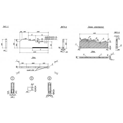
БШ 45

Чертеж изделия:
Характеристики изделия:
ПараметрЗначение
длина4490 мм
ширина1280 мм
высота200 мм
вес2550 кг
серия3.503.1-104

БШ 45 Блоки шкафных стенок по серии 3.503.1-104.