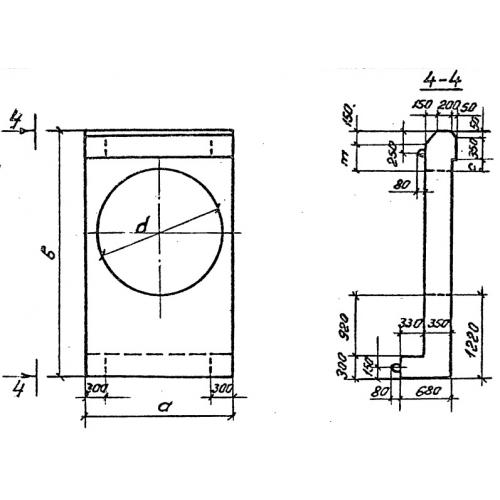
СТ 10 Стенка портальная

Чертеж изделия:
Характеристики изделия:
ПараметрЗначение
длина1220 мм
ширина680 мм
высота2720 мм
масса2500 кг
нормативный документСерия 3.501.1-144

СТ 10  Портальные стенки по Серии 3.501.1-144.