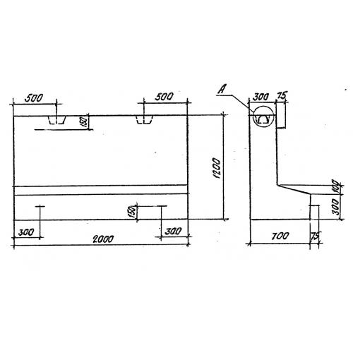
БФ 1 блок противофильтрационного экрана

Чертеж изделия:
Характеристики изделия:
ПараметрЗначение
длина2000 мм
ширина700 мм
высота1200 мм
масса2500 кг
нормативный документСерия 3.501.1-144

БФ 1 Блоки противофильтрационных экранов по Серии 3.501.1-144.