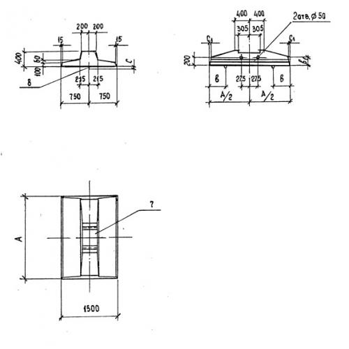
П 1.5-2.2 Плита

Чертеж изделия:
Характеристики изделия:
ПараметрЗначение
длина2200 мм
ширина1500 мм
высота400 мм
масса1430 кг
нормативный документСерия 3.407.1-144

П 1.5-2.2  Плиты фундаментов по Серии 3.407.1-144.