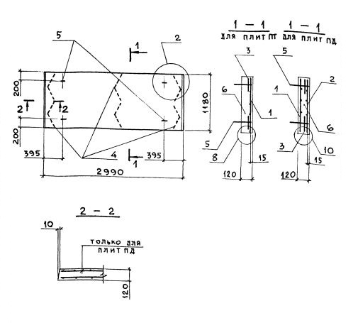
ПД 300.120.12 плиты днища

Чертеж изделия:
Характеристики изделия:
ПараметрЗначение
длина2990 мм
ширина1180 мм
высота120 мм
масса1050 кг
нормативный документСерия 3.006.1-8

ПД 300.120.12  Плиты днища каналов Серия 3.006.1-8.