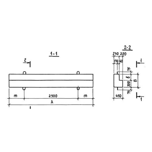
Б 36

Чертеж изделия:
Характеристики изделия:
ПараметрЗначение
длина4000 мм
ширина450 мм
высота600 мм
масса2050 кг
нормативный документСерия 3.006.1-3/83

Б 36 Балки тоннелей Серия 3.006.1-3/83.