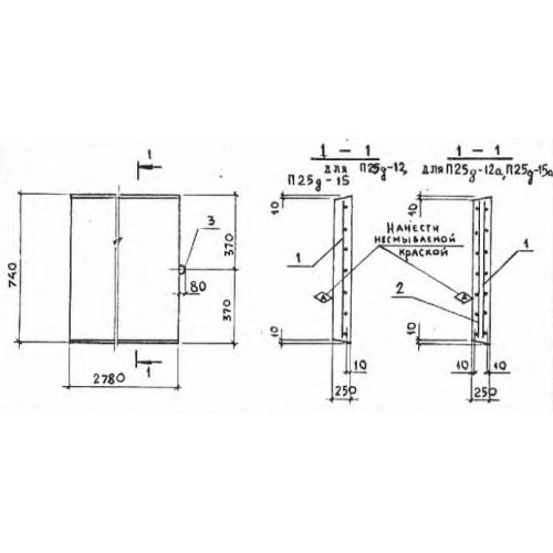
П 25 д плиты лотков

Чертеж изделия:
Характеристики изделия:
ПараметрЗначение
длина740 мм
ширина2780 мм
высота250 мм
масса1290 кг
нормативный документСерия 3.006.1-2/87

П 25д Плиты перекрытия лотков доборные Серия 3.006.1-2/87.