П 24 д
Характеристики изделия:
| Параметр | Значение |
|---|---|
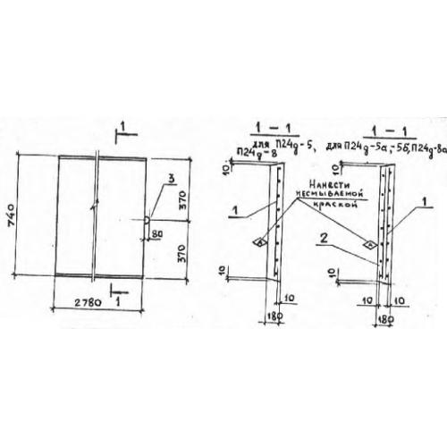
| длина | 740 мм |
| ширина | 2780 мм |
| высота | 180 мм |
| масса | 930 кг |
| нормативный документ | Серия 3.006.1-2/82 |
Цена:
Рассчитать стоимостьП 24 д Плиты перекрытия лотков доборные Серия 3.006.1-2/82.
| Параметр | Значение |
|---|---|
| длина | 740 мм |
| ширина | 2780 мм |
| высота | 180 мм |
| масса | 930 кг |
| нормативный документ | Серия 3.006.1-2/82 |
П 24 д Плиты перекрытия лотков доборные Серия 3.006.1-2/82.
