ОП 1
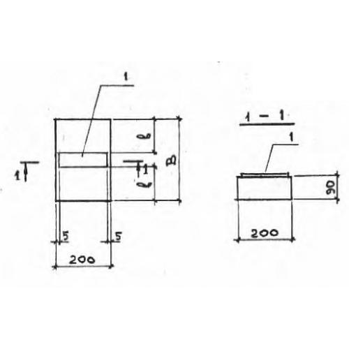
Характеристики изделия:
| Параметр | Значение |
|---|---|
| длина | 200 мм |
| ширина | 200 мм |
| высота | 90 мм |
| масса | 10 кг |
| нормативный документ | Серия 3.006.1-2/82 |
Цена:
Рассчитать стоимостьОП 1 Опорные подушки Серия 3.006.1-2/82.
| Параметр | Значение |
|---|---|
| длина | 200 мм |
| ширина | 200 мм |
| высота | 90 мм |
| масса | 10 кг |
| нормативный документ | Серия 3.006.1-2/82 |
ОП 1 Опорные подушки Серия 3.006.1-2/82.
