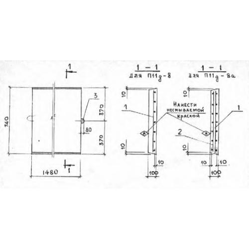
П 11д

Чертеж изделия:
Характеристики изделия:
ПараметрЗначение
длина740 мм
ширина1480 мм
высота100 мм
вес270 кг
серия3.006-2

П 11д Плиты перекрытия лотков доборные по серии 3.006-2.