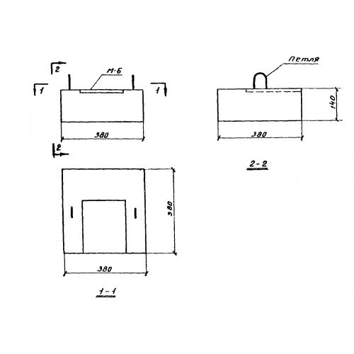
СПО 4-4

Чертеж изделия:
Характеристики изделия:
ПараметрЗначение
длина380 мм
ширина380 мм
высота140 мм
вес50 кг
серия1.862-1

СПО 4-4 Опорные подушки для сельскохозяйственного строительства по серии 1.862-1.