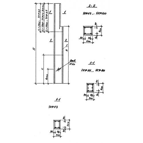
7КФ 100 колонны

Чертеж изделия:
Характеристики изделия:
ПараметрЗначение
длина10000 мм
ширина400 мм
высота400 мм
масса4000 кг
нормативный документСерия 1.427.1-3

7КФ 100  Колонны фахверка Серия 1.427.1-3.