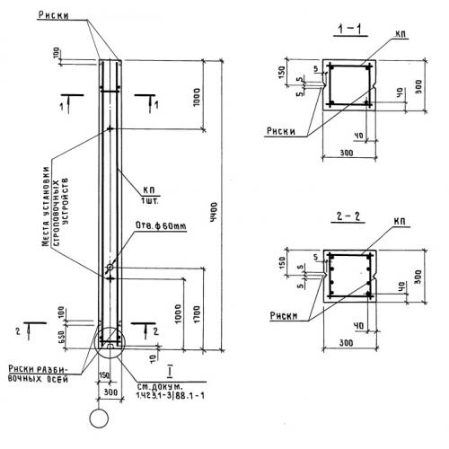
1К 36 колонны

Чертеж изделия:
Характеристики изделия:
ПараметрЗначение
длина4400 мм
ширина300 мм
высота300 мм
масса1000 кг
нормативный документСерия 1.423.1-3/88

1К 36 Колонны Серия 1.423.1-3/88.