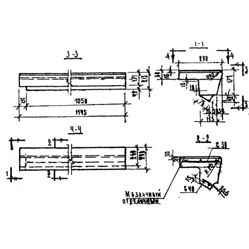
ЛСВ 11-17 ступени лестничные

Чертеж изделия:
Характеристики изделия:
ПараметрЗначение
длина1145 мм
ширина290 мм
высота171 мм
масса93 кг
нормативный документСерия 1.155-1

ЛСВ 11-17  Лестничные ступени верхние фризовые Серия 1.155-1.