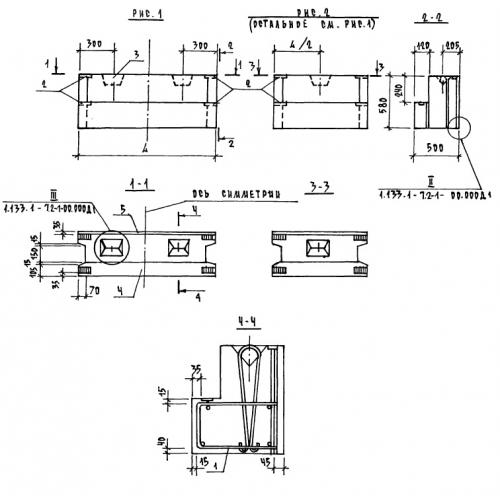
4БН 24.6.50

Чертеж изделия:
Характеристики изделия:
ПараметрЗначение
длина2380 мм
ширина500 мм
высота580 мм
вес790 кг
серия1.133.1-7

4БН 24.6.50 Поясные блоки по серии 1.133.1-7.