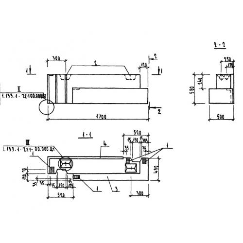
4БНЛ 17.6.50

Чертеж изделия:
Характеристики изделия:
ПараметрЗначение
длина1700 мм
ширина500 мм
высота580 мм
вес470 кг
серия1.133.1-7

4БНЛ 17.6.50 Блоки поясные лоджий по серии 1.133.1-7.