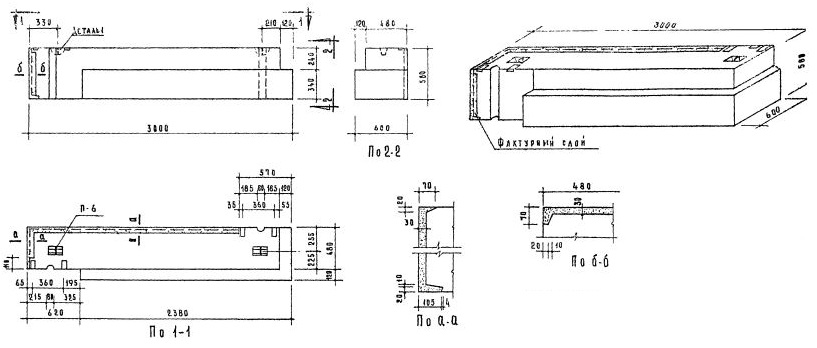
НБУ-30.6.6

Чертеж изделия:
Характеристики изделия:
ПараметрЗначение
Длина3000 мм
Ширина600 мм
Высота580 мм
Масса1810 кг
Нормативный документСерия 1.133-1

Стеновые легкобетонные блоки толщиной 60 см по Серии 1.133-1.

НБУ-30.6.6   Поясной блок угловой.