1НЦ35.20.31-150ЛПВ-1,3

Чертеж изделия:
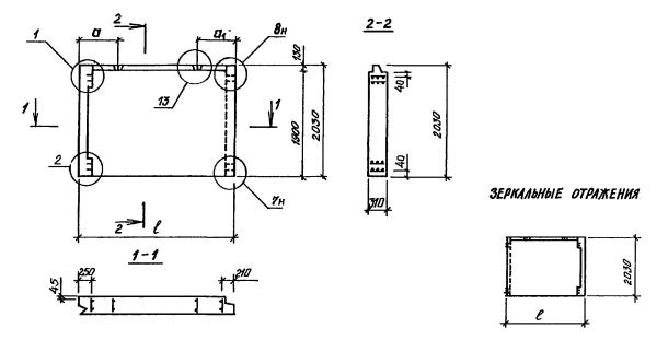
Характеристики изделия:
ПараметрЗначение
длина3505 мм
ширина310 мм
высота2030 мм
масса3340 кг
нормативный документСерия 1.117.1-15пв

Серия 1.117.1-15пв  Панели цельные однослойные для цокольного этажа.

1НЦ35.20.31-150ЛПВ-1,3

1НЦ - цельная однослойная стеновая панель;

Габариты изделия (записаны через точку) - длина, высота, толщина;

150 марка бетона по прочности на сжатие;

Л - производится из легкого бетона; ПВ - для сложных условий строительства;

Цифровой индекс (1,1; 1,4; 1,5; 1,6; 3,1) - вид примыкания к другим строительным конструкциям.

1 - конкретная марка изделия определяется наличием проема.