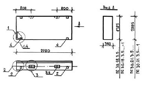
ПС 30.18.3.5 панели стеновые

Чертеж изделия:
Характеристики изделия:
ПараметрЗначение
длина2980 мм
ширина350 мм
высота1785 мм
масса2680 кг
нормативный документСерия 1.030.1-1/88

ПС 30.18.3.5  Панели стеновые Серия 1.030.1-1/88.