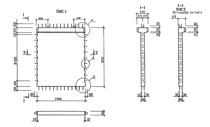
2Д 26.30
Характеристики изделия:
| Параметр | Значение |
|---|---|
| длина | 2800 мм |
| ширина | 550 мм |
| высота | 3440 мм |
| масса | 3380 кг |
| нормативный документ | Серия 1.020.1-3пв |
Цена:
Рассчитать стоимость2Д 26.30 Диафрагмы жесткости с двумя полками Серия 1.020.1-3пв.
| Параметр | Значение |
|---|---|
| длина | 2800 мм |
| ширина | 550 мм |
| высота | 3440 мм |
| масса | 3380 кг |
| нормативный документ | Серия 1.020.1-3пв |
2Д 26.30 Диафрагмы жесткости с двумя полками Серия 1.020.1-3пв.