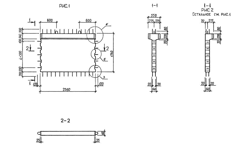
2Д 26.17

Чертеж изделия:
Характеристики изделия:
ПараметрЗначение
длина2800 мм
ширина550 мм
высота2140 мм
масса2200 кг
нормативный документСерия 1.020.1-3пв

2Д 26.17  Диафрагмы жесткости с двумя полками Серия 1.020.1-3пв.