ППФ 9-51

Чертеж изделия:
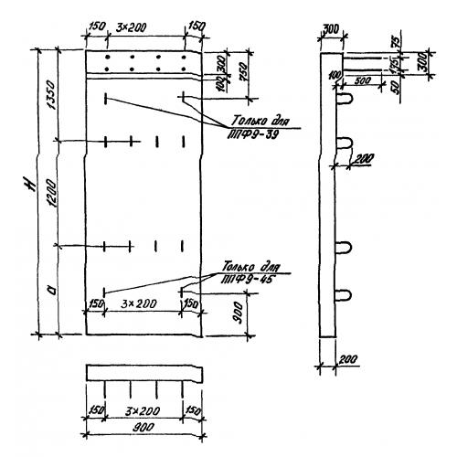
Характеристики изделия:
ПараметрЗначение
длина900 мм
ширина300 мм
высота5100 мм
вес2380 кг
серия1.012.1-3.97

ППФ 9-51 Плиты фундаментные плоские по серии 1.012.1-3.97.