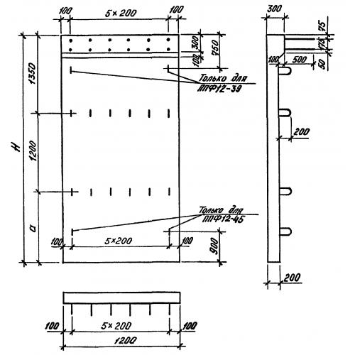
ППФ 12-51

Чертеж изделия:
Характеристики изделия:
ПараметрЗначение
длина1200 мм
ширина300 мм
высота5100 мм
вес3180 кг
серия1.012.1-3.97

ППФ 12-51 Плиты фундаментные плоские по серии 1.012.1-3.97.