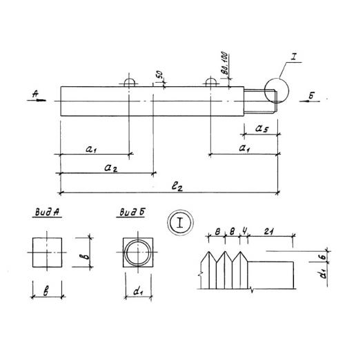
С 110.35-вс сваи составные верхние

Чертеж изделия:
Характеристики изделия:
ПараметрЗначение
длина11000 мм
ширина350 мм
высота350 мм
масса3320 кг
нормативный документСерия 1.011.1-10

С 110.35-вс   Сваи составные верхние Серия 1.011.1-10.